Winlet 400TL SHB HS – ekstra terrængående med imponerende løftekapacitet
Winlet 400TL SHB HS – ekstra terrængående med imponerende løftekapacitet

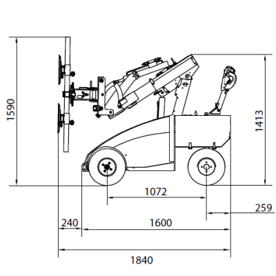
Har du brug for en ekstra stabil og terrængående vinduesløfter med løftekapacitet på helt op til 500 kg? Så er du landet det rigtige sted.
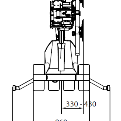
Denne Winlet 400TL er udstyret med ekstra brede styre- og trækhjul, så den nemt kan komme rundt i forskelligartet terræn. Det gør den ideel til udendørs installationer.
Den har enkelt udskud af løftearmen og front med hydraulisk sideskift for optimal præcision under installation.
VÆLG MELLEM MAC ELLER PSAC BETJENING



1. PSAC (Proportional Single Axis Control), den traditionelle Winlet betjening hvor en hydraulisk funktion betjenes ad gangen – 100% trinløst.
2. MAC (Multi Axis Control), tillader styring af flere hydrauliske funktioner på samme tid. Vælg mellem 3 hastigheder: 100 % – 50 % – 10 %. Som option til MAC, tilbyder vi en radiostyret fjernbetjening, hvor funktionerne styres proportionalt.







